B6 Electrical Vwvortex.com
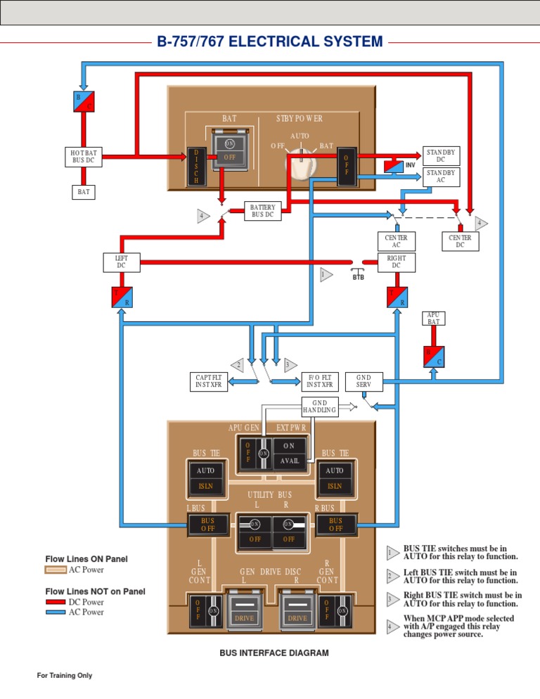
China auto brake pads manufacturer. Electrical system b747 hispapanels overhead larger boeing panel tienda. New front rear fog light headlight switch for audi a4 8e b6 b7
B6 Electrical
Download PDF
B8 did today


Ecu hondata connectors connector shown side help. B8 did today. Electrical system b747 hispapanels overhead larger boeing panel tienda. What did you do to your b8 today?
fix for P0688 error code and fuse #29 - AudiWorld Forums
SECTOR SERIES E B6 B16 B32 B40 6KA SINGLE POLE MCB CIRCUIT BREAKERS
Armoured Toyota Land Cruiser 200 | Tested & Certified
New Front Rear Fog Light Headlight Switch For Audi A4 8E B6 B7
Hamworthy Pump Shaft Seal Bushing B6-11 B.6-15.AW1 | Cochran Boiler Spares

No comments:
Post a Comment