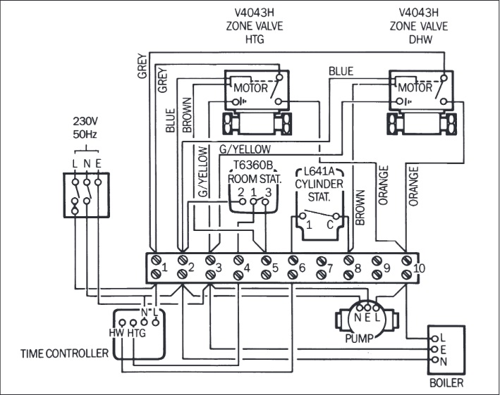
Central Heating Wiring Diagram 2 Port Valve Zone Valve Wiring
Furnace gas valve smart reset stay control oil diagrams heating won. Danfoss motorised. 3 way 0-10v modulating control motorized valve for water heating system
central heating wiring diagram 2 port valve
Download PDF
Furnace gas valve smart reset stay control oil diagrams heating won


Wiring valve untitled diynot nov diy. Omnie wiring centre. Wiring diagram for honeywell s plan. Underfloor omnie mixing diagrams boiler danfoss thermostat reliance
Wiring Diagram For Honeywell S Plan
Zone Valve Wiring - DoItYourself.com Community Forums
[DIAGRAM] Honeywell 3 Port Valve Wiring Diagram FULL Version HD Quality
Boiler Zone Valve Wiring Diagrams | Diagram
Sunvic Two Port Valve Wiring Diagram - Wiring Diagram

No comments:
Post a Comment