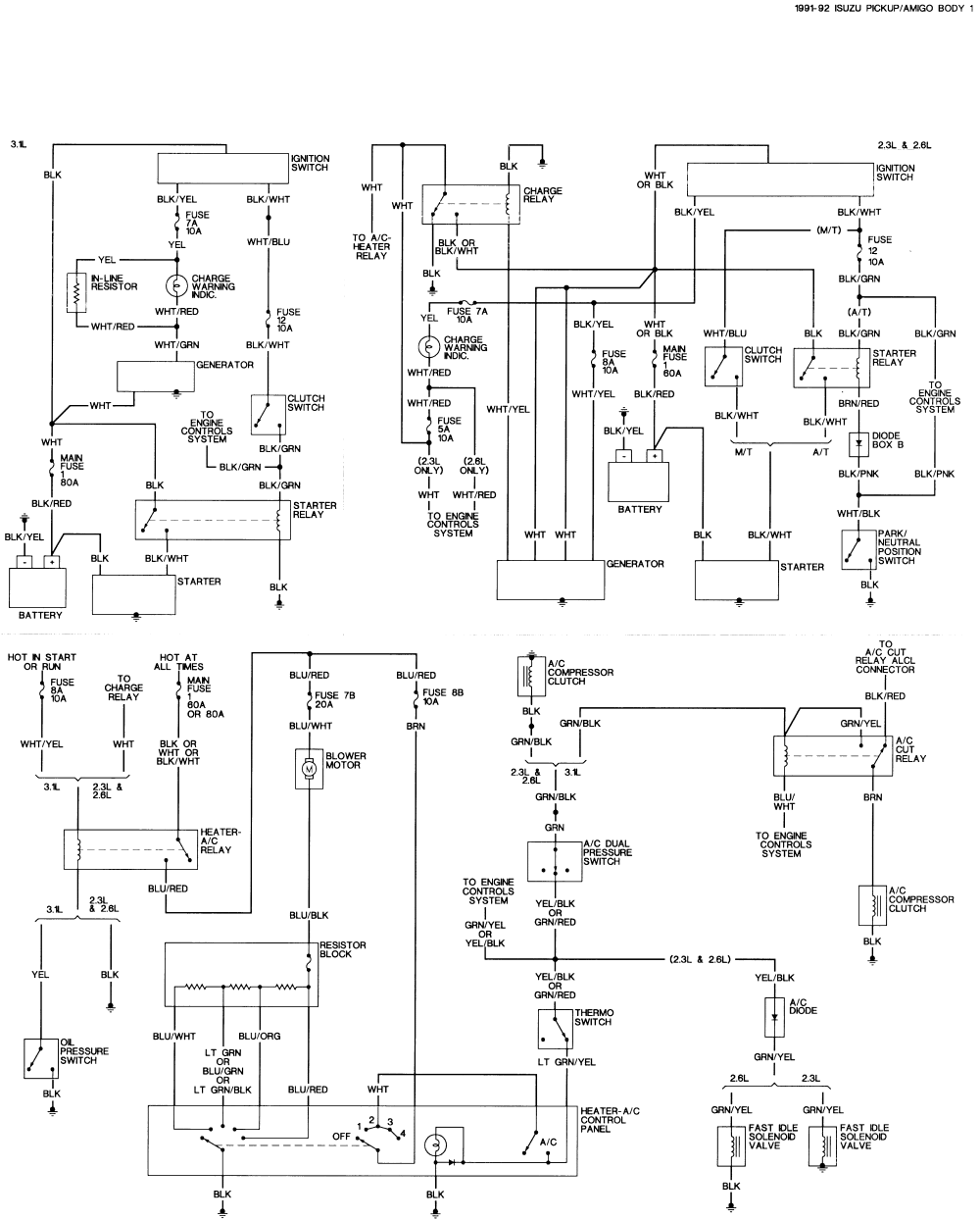
Isuzu Kb 200 Wiring Diagram Fuse Breaker Wire
Fuse breaker wire. Isuzu dmax wiring diagram. Automotive wiring diagram, isuzu wiring diagram for isuzu npr: isuzu
isuzu kb 200 wiring diagram
Download PDF
ไอเดีย wiring diagram isuzu 45 รายการ


ไอเดีย wiring diagram isuzu 45 รายการ. Isuzu dmax wiring diagram. 1994 isuzu rodeo wiring diagram. Hino truck service handbücher, fehlercodes und schaltpläne
1994 Isuzu Rodeo Wiring Diagram - diagram ear
ไอเดีย Wiring diagram Isuzu 45 รายการ | รถยนต์, วิศวกรรมศาสตร์, รถแต่ง
ไอเดีย Wiring diagram Isuzu 45 รายการ | วิศวกรรมศาสตร์, รถยนต์, เครื่องยนต์
Hino Truck Service Handbücher, Fehlercodes und Schaltpläne - LKW
automotive wiring diagram, Isuzu Wiring Diagram For Isuzu Npr: Isuzu

No comments:
Post a Comment